Last update 2023/01/01
![]()
「C11 TOBY製」製作報告
オークションで未塗装完成品のトビー製C11を落札しました。
中村精密 C11について 塗装を剥がしてリニューアルを実施しようとしていましたが、
ランク上のトビー製のC11の改造をすすめることにしました。
C11は 北海道 標津を想定しています。
現状の入手したC11。TOBYの箱にはいっていました。

箱から出してみました。16.5mm 真鍮製のSL模型が美しいです。

シンプルな構造で ロストワックスも少ないです。
後期の製品ではないようです。

棒モーターで空回りもしますが、一応走ってくれました。

北海道 標津線のSL現役時代は C11を見ていないのですが、
北海道のHNモジュールを製作しているので、その雰囲気を出すための蒸気機関車を
製作していきます。
今回はあくまで加工製作なので短時間で終わらせたいです。
インターネットで標津線のC11の写真が見つかりますので、それとIMON製C11を
参考に製作していきます。
C11の製作を開始します。
初期の製品でしょうか、煙室戸まわりは鋳物製で一体化されています。


<第1弾 購入部品>
エコー 1061 ハンドル 300円
エコー 1084 汽笛 350円
エコー 1081 砂箱蓋 300円
エコー 1083 砂箱元栓 1000円
スパイクモデル JM C-1603 LP42 430円
小計 2330円 累計2330円

砂箱蓋は すでに盛り上がっているのですが、とりあえず削っておきます。

汽笛もシンプル過ぎるので変えることにします。

汽笛の比較。左が元、右がロストワックス製。

汽笛と砂箱蓋を取り付け完了。

手すりの穴を0.3mmドリルであけますが、2本折ってしまいました。


煙室戸まわり
ハンドル、手すりの真鍮製の鋳物 手すりの削りだしを行いました。

キャブ屋根の手すり

LED点灯させる前照灯を取り付けます。
スパイクモデル製の前照灯を使いました。もともとは1.5Vミクロ電球を点灯させるもの
ですが、LEDチップを使います。





<第2弾 購入部品>
IMON SL036 キャブ天窓 900円
ウェストジャパン 2142 ATS発電機 300円
ウェストジャパン 2141 発電機小型 300円
エコー 1088 油ポンプ箱 350円
エコー 1083 砂まき管元栓 1000円
合計 2850円

天窓はシンプルなので交換します。

ロストワックス製天窓に交換します。
このタイプは1/80でなさそうなので 1/87から選択しました。

油ポンプ箱もロストワックス製に交換します。

いろいろ加工してこんなようになります。

複線用のスノープローを作成します。まず 工作用紙を使って
試作します。

0.3mm真鍮板で切り出します。

ケガキ線をいれて万力で折り曲げます。

取付けはハンダ付けせずに装着できるようにしておきます。

いろいろと調整してこんな形になりました。

天窓もようやく取付け完了。

後部の石炭の近くに手摺を追加。



<第3弾 購入部品>
空気作用管受 4本用 300円
空気作用管受 2本用 300円
調圧機 350円
信号煙管 400円
標識灯 600円
帯板0.5×0,2 300円
小計 2250円

ATS発電機と汽笛の配管を取り付け。

北海道特有な0.4mm手摺を取り付けました。

後方のライトも点灯させるために穴を開けておきます。

調圧器は裏に糸鋸で切れ目を入れてハンダ付けをしています。

標識灯もロストワックス製で、0.8mm光ファイバーを通すために穴を開けます。

0.3mm真鍮線を埋め込みます。

<第4弾 購入部品>
空気作用管受 5本用 300円
リン青銅線0.2mm 420円
ドリル刃 0.3mm 968円
ドリル刃 0.4mm 808円
ドリル刃 0.5mm 695円
小計 3437円

上部はいろいろ追加しました。




煙室扉部分もヤスリで削りました







というわけで 改造した箇所をまとめておきます。









塗装はラッカースプレーで済ましました。
塗装した時の写真を撮り忘れてしまいました。
機関車下回りの駆動部の改良をしていきます。
まず モーターについて 棒モーターをカンモーターに変更。

モーター押さえ板は0.8mm真鍮板を折り曲げて作りました。


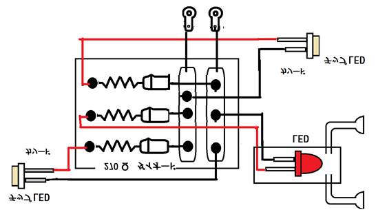
LED回路

円筒形の赤LED


抵抗とダイオードはまとめて基板にハンダ付けをすることにします。

塗装後の画像。もうLED取付の作業を進めています。

基板に3つのLEDの抵抗とダイオードの配線をまとめています。
LEDは 前方の前照灯、後方の前照灯、標識灯の3つを点灯させます。

標識灯は赤の砲弾型のLEDと光ファイバー2本を使って点灯させます。

LEDチップの配線を進めます。0.8×1.6mmのLEDチップを使っています。

LEDの配線ハンダ付けと回路ハンダ付けなど3日かかっています。

下回りのを塗装するため 分解していきます。
LEDの作業の途中で石炭を盛って作りました。
4mm厚の板を一旦塗装して その上に石炭を水で霧を吹いて
木工ボンドで固定させます。

下回りの駆動部分の製作を始まます。

動輪も取ります。このモデルはイコライザーがついていないです。


ビスやナットなど小さな部品はパッキング袋にいれて整理しておきます。

下回りのマスキングをしたうえで塗装を開始。
黒染のスプレーを使いました。

塗装した下回りを組み立てていきます。
塗装が安定してからと思いましたが、時間がありません。

従台車は通電ようにマスキングしていました。
上がマスキング中、
下はマスキングテープをはずした状態。


分解してテストはうまく動作するのですが、組立て下回りと上回りを合体する
ビスを固定しようとするとショートして動かなくなります。
ここで、原因を追究するためまる1日間かかりました。

分解して組立て通電を繰り返しましたが、わからないので 原因を特定するため
線を切ったりしましたが、なかなかわかりませんでした。
いろいろ試して 原因は下記のLEDチップの配線がボディと接触していたためでした。

というわけで 車両は 年内に完成しました。
めでたしめでたし。



製作日数 2022年12月3日から12月30日
製作時間 およそ54時間




